
Appliance
- 5 Door Refrigerator
Brands
- KitchenAid
- Whirlpool
Possible Customer Complaints
- No interior lights
- Not making ice
- Not dispensing water
- Randomly dispensing water
- Deli drawer user interface is unresponsive
Possible Causes
- Left deli drawer User Interface
- Left deli drawer control board harness
Testing Procedures
See service manual W11497804 for disassembly procedures
- Unplug the refrigerator
- Remove the left deli drawer pan
- Remove the wiring cover from the back of the drawer
- Disconnect the wiring harness connector at the back of the drawer
- Reinstall the left deli drawer pan (required to depress the door switch)
- Plug in the refrigerator

If the interior lights and dispenser functions are restored with the UI harness disconnected, follow the instructions below to diagnose the source of the problem.
If not this tech tip does not apply to your specific problem.
- Remove the deli drawer user interface board and inspect the board and connector for any issues or corrosion
- Replace faulty part and retest

- Inspect the deli drawer harness behind the left drawer side rail for open or shorted wires
- Replace faulty part and retest

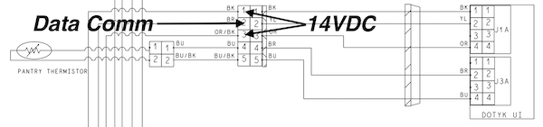
Test Points
- Harness connector on the back of the deli drawer
- Connector 1 (Black Wire) to Connector 3 (Orange/Black Wire)
- 14VDC
- Connector 2 (Brown Wire)
- Data Communication
- Connector 1 (Black Wire) to Connector 3 (Orange/Black Wire)

Models
WRV976FDEM00 WRV976FDEM01 WRV986FDEM00 WRV986FDEM01 WRV996FDEE00 WRV996FDEE01 WRV996FDEE02 WRV996FDEH00 WRV996FDEH01 WRV996FDEM00 WRV996FDEM01 KRMF606ESS00 KRMF606ESS01 KRMF706ESS00 KRMF706ESS01 KRMF706ESS02 KRMF706ESS04 KRMF706ESS05 KRMF706ESS06 KRMF706EBS00 KRMF706EBS01 KRMF706EBS04 KRMF706EBS05 KRMF706EBS06